ООО "Промхиммаш" г. Тамбов

Россия, 392010, г. Тамбов, ул. Монтажников, 10 тел./факс: (4752) 48-15-20, 53-58-64

Главная

Контакты

Руководство

Продукция

Сертификаты

Галерея

 

Аппараты емкостные

Теплообменная аппаратура

Резервуары

Сепараторы

Емкости подземные горизонтальные дренажные

Фильтры жидкостные сетчатые для трубопроводов

Отстойники нефти горизонтальные

Сосуды

Аппараты с перемешивающими устройствами

 

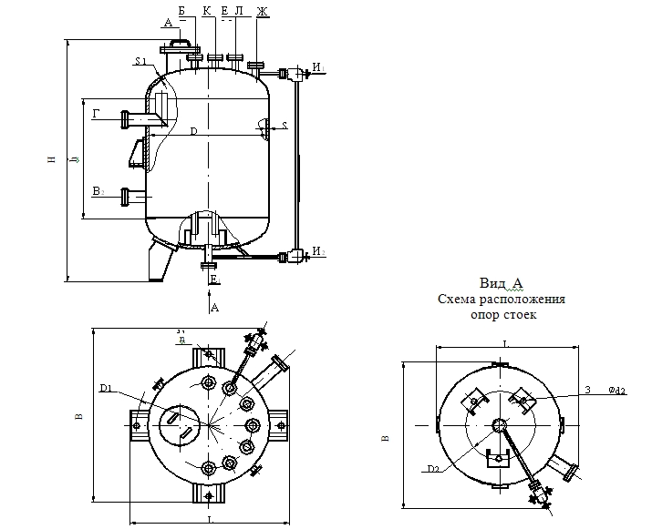
Вертикальные цельносварные аппараты с эллиптическими днищами

Предназначены для приема, хранения и выдачи жидких и газообразных сред при условном давлении в аппарате 0,6; 1 и 1,6 МПа ( 6, 10 и 16 кгс/см2).
Выдача жидких сред может осуществляться как самотеком, так и передавливанием среды сжатым воздухом, технологическим или инертным газом.
Аппараты могут быть использованы в качестве отстойников.

Основные размеры аппаратов

Объем, м3

Условное давление, МПа

 

Размеры, мм

 

 

D

 

h

 

l (не более)

 

n

Условное обозначение

 

Номинальный

Рабочий
(не более)

1

0,91

0,6(6)

1000

900

160

-

ВЭЭ1-1-0,6

1(10)

ВЭЭ1-1-1,0

1,6(16)

ВЭЭ1-1-1,6

2

1,74

0,6(6)

1200

1250

185

4

ВЭЭ1-2-0,6

1(10)

ВЭЭ1-2-1,0

1,6(16)

ВЭЭ1-2-1,6

3,2

3

0,6(6)

1400

1600

200

ВЭЭ1-3,2-0,6

1(10)

ВЭЭ1-3,2-1,0

1,6(16)

ВЭЭ1-3,2-1,6

5

4,3

0,6(6)

1600

1800

250

4

ВЭЭ1-5-0,6

1(10)

ВЭЭ1-5-1,0

1,6(16)

ВЭЭ1-5-1,6

6,3

5,6

0,6(6)

1600

2500

250

ВЭЭ1-6,3-0,6

1(10)

ВЭЭ1-6,3-1,0

1,6(16)

ВЭЭ1-6,3-1,6

10

9,2

0,6(6)

2000

320

8

ВЭЭ1-10-0,6

1(10)

ВЭЭ1-10-1,0

1,6(16)

ВЭЭ1-10-1,6

16

15,5

0,6(6)

4500

ВЭЭ1-16-0,6

1(10)

ВЭЭ1-16-1,0

1,6(16)

ВЭЭ1-16-1,6

25

22,9

0,6(6)

2400

340

ВЭЭ1-25-0,6

1(10)

ВЭЭ1-25-1,0

1,6(16)

ВЭЭ1-25-1,6

 

 

 

Используются технологии uCoz