ООО "Промхиммаш" г. Тамбов |
|||||||||||||||||||||||||||||||||||||||||||||||||||||||||||||||||||||||||||||||||||||||||||||||||||||||||||||||||||||||||||||||||||||||||||||||||||||||||||||||||||||||||||||||||||||||||||||||||||||||||
|---|---|---|---|---|---|---|---|---|---|---|---|---|---|---|---|---|---|---|---|---|---|---|---|---|---|---|---|---|---|---|---|---|---|---|---|---|---|---|---|---|---|---|---|---|---|---|---|---|---|---|---|---|---|---|---|---|---|---|---|---|---|---|---|---|---|---|---|---|---|---|---|---|---|---|---|---|---|---|---|---|---|---|---|---|---|---|---|---|---|---|---|---|---|---|---|---|---|---|---|---|---|---|---|---|---|---|---|---|---|---|---|---|---|---|---|---|---|---|---|---|---|---|---|---|---|---|---|---|---|---|---|---|---|---|---|---|---|---|---|---|---|---|---|---|---|---|---|---|---|---|---|---|---|---|---|---|---|---|---|---|---|---|---|---|---|---|---|---|---|---|---|---|---|---|---|---|---|---|---|---|---|---|---|---|---|---|---|---|---|---|---|---|---|---|---|---|---|---|---|---|---|
![]() |
![]() |
![]() |
![]() |
![]() |
![]() |
||||||||||||||||||||||||||||||||||||||||||||||||||||||||||||||||||||||||||||||||||||||||||||||||||||||||||||||||||||||||||||||||||||||||||||||||||||||||||||||||||||||||||||||||||||||||||||||||||||
Россия, 392010, г. Тамбов, ул. Монтажников, 10 тел./факс: (4752) 48-15-20, 53-58-64 |
|||||||||||||||||||||||||||||||||||||||||||||||||||||||||||||||||||||||||||||||||||||||||||||||||||||||||||||||||||||||||||||||||||||||||||||||||||||||||||||||||||||||||||||||||||||||||||||||||||||||||
Аппараты емкостныеТеплообменная аппаратураРезервуарыСепараторыЕмкости подземные горизонтальные дренажныеФильтры жидкостные сетчатые для трубопроводовОтстойники нефти горизонтальныеСосудыАппараты с перемешивающими устройствами
|
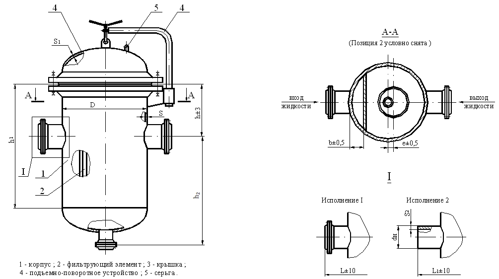
Фильтры жидкостные сетчатые для трубопроводовФильтры жидкостные сетчатые для трубопроводов на условные давления 1,6 и 4,0 МПа при температуре транспортируемой жидкости от минус 60 до 3000 С, предназначены для защиты насосного и другого оборудования в технологических установках нефтеперерабатывающей, нефтехимической, нефтяной и газовой отраслей промышленности, при работе которого размер твердых частиц механических примесей и жидкости должен быть не более 200 мкм. Классы опасности транспортируемой жидкости 1, 2, 3 и 4 ГОСТ 12.1.007-76 Изготавливаются два конструктивных исполнения фильтров по способу соединения с трубопроводом: Пример условного обозначения фильтров при заказе: - фильтр сетчатый дренажный (СДЖ), устанавливаемый на трубопроводе Ду 250 мм, на условное давление 1,6 МПа, конструктивного исполнения 2, материального исполнения 3: фильтр СДЖ 250-1,6-2-3 АТК 24.218.04-90; - тот же фильтр при необходимости требования по межкристаллитной коррозии (МКК): фильтр СДЖ 250-1,6-2-3М АТК 24.218.04-90; Фильтр
|
||||||||||||||||||||||||||||||||||||||||||||||||||||||||||||||||||||||||||||||||||||||||||||||||||||||||||||||||||||||||||||||||||||||||||||||||||||||||||||||||||||||||||||||||||||||||||||||||||||||||