ООО "Промхиммаш" г. Тамбов

Россия, 392010, г. Тамбов, ул. Монтажников, 10 тел./факс: (4752) 48-15-20, 53-58-64

Главная

Контакты

Руководство

Продукция

Сертификаты

Галерея

 

Аппараты емкостные

Теплообменная аппаратура

Резервуары

Сепараторы

Емкости подземные горизонтальные дренажные

Фильтры жидкостные сетчатые для трубопроводов

Отстойники нефти горизонтальные

Сосуды

Аппараты с перемешивающими устройствами

 

Вертикальные цельносварные аппараты с плоскими днищами

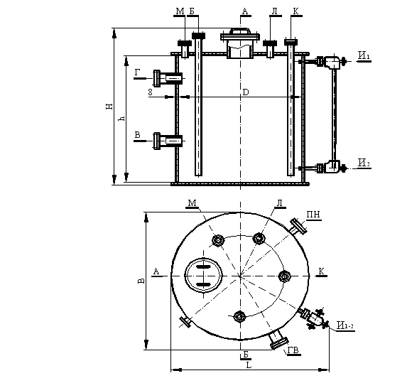
Предназначены для приема, хранения и выдачи жидких невзрывоопасных, невзрывопожароопасных и нетоксичных сред (условное обозначение веществ НГ, ТГ, ГВ, ГЖ по ГОСТ 12.1.004 – 76, 3-ий и 4-ый классы опасности по ГОСТ 12.1.007-76) при атмосферном давлении.
Основные размеры аппаратов, не зависят от их материального исполнения.

Основные размеры аппаратов

Объем, м3

Размеры, мм

Условное обозначение

Номинальный

Рабочий
 (не более)

D

h

10

8,4

2200

2500

ВПП1-1-10-0

16

15,5

2600

3200

ВПП1-1-16-0

25

22,6

2800

4000

ВПП1-1-25-0

 

 

Используются технологии uCoz